首页
关于我们
公司简介
公司精神
地理位置
销售网络
人才招聘
产品展示
建筑模板
普通胶合板
生态板
防火门芯刨花板
超厚刨花板
三聚氰胺纸
新闻中心
新闻中心
展会信息
资质证书
国际认证
厂房设备
荣誉证书
实验设备
联系我们
新闻中心
新闻中心
展会信息
当前位置:
首页
新闻中心
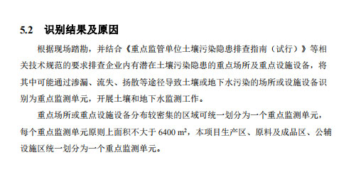
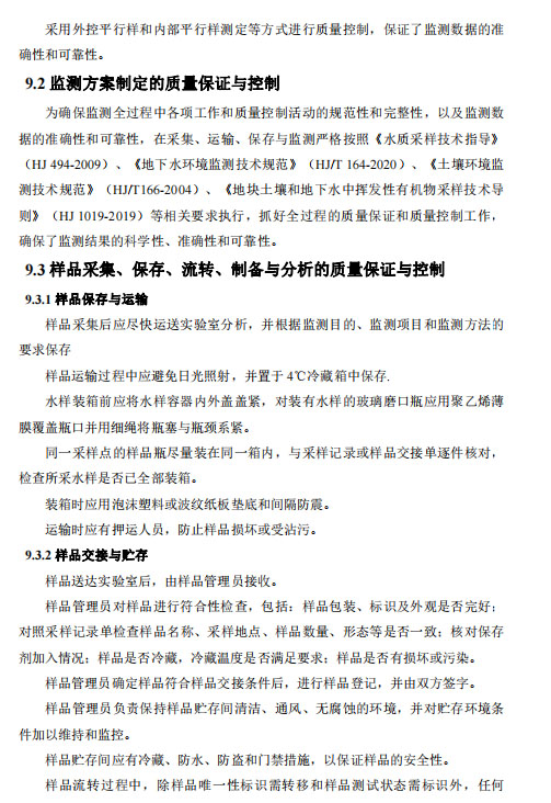
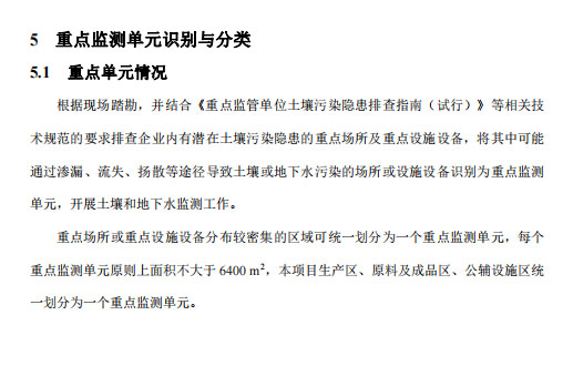
山东福林新材料科技有限公司2022年度土壤和地下水自行监控报告
山东福林新材料科技有限公司2022年度土壤和地下水自行监控报告
发布日期:2022-12-02
查看: 1651次
上一篇:
山东福林新材料科技有限公司2023年度土壤和地下水自行监测报告
下一篇:
土壤污染隐患排查报告(2022年度)
+ 子公司
-
菏泽茂盛木业有限公司
-
山东菏泽福林木业有限公司
-
山东大林科技有限公司
+ 关于我们
-
公司简介
-
公司精神
-
地理位置
-
销售网络
+ 产品展示
-
胶合板
-
刨花板
-
生态板
+ 新闻中心
-
新闻中心
-
展会信息
+ 资质证书
-
国际认证
-
厂房设备
-
荣誉证书
-
实验设备
+ 联系我们
- 联系我们
Copyright
山东菏泽福林木业有限公司www.fulinwood.com
电话:0530-6160717 地址:山東省菏泽市庄寨鎮经济开发区
鲁ICP备17043776号
网站管理
技术支持:
菏泽爱地网络